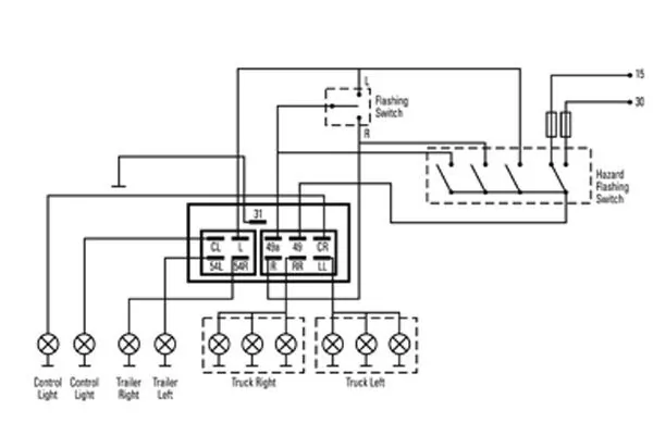
MERCEDES-BENZ
001 544 8332 / 0015447432 / 002 544 1432 / 002 544 58 32 / 002 544 6432 / 002 544 6732 / 0025442832 / 0025445932 / 0025446632 / 003 544 0632 / 0035440532 / A 002 544 58 32 / A001 544 8332 / A0015447432 / A002 544 1432 / A002 544 6432 / A002 544 6732 / A0025442832 / A0025445932 / A0025446632 / A003 544 0632 / A0035440532